开云网页版欢迎您!
今天是
登录
添加收藏
0598-5822373
三明市农业学校
Toggle navigation
首页
学校概况
学校简介
组织机构
学校领导
学校荣誉
校园风光
校园快递
校园新闻
要闻速览
党建园地
党建动态
深入贯彻中央八项规定精神学习教育专栏
学习贯彻习近平新时代中国特色社会主义思想主题教育专栏
党纪学习教育专栏
党史学习教育专栏
教学之窗
教研动态
技能大赛
专业人才培养方案
实验实训
德育之窗
德育动态
平安先行
名班主任工作室
终身教育
继续教育
社会培训
工作动态
招生简章
书香墨香校园
招生就业
招生简章
校园文化
教工之家
开云网页版
公告栏
校务公开
专题专栏
网络安全宣传专栏
学生资助专栏
教学诊改专栏
职业教育活动周专栏
廉洁教育专题
高质量发展大会专栏
全国普通话宣传周专栏
专业人才培养方案
2025年
2024年
2023年
2022年
2021年
2025年
首页
专业人才培养方案
2025年
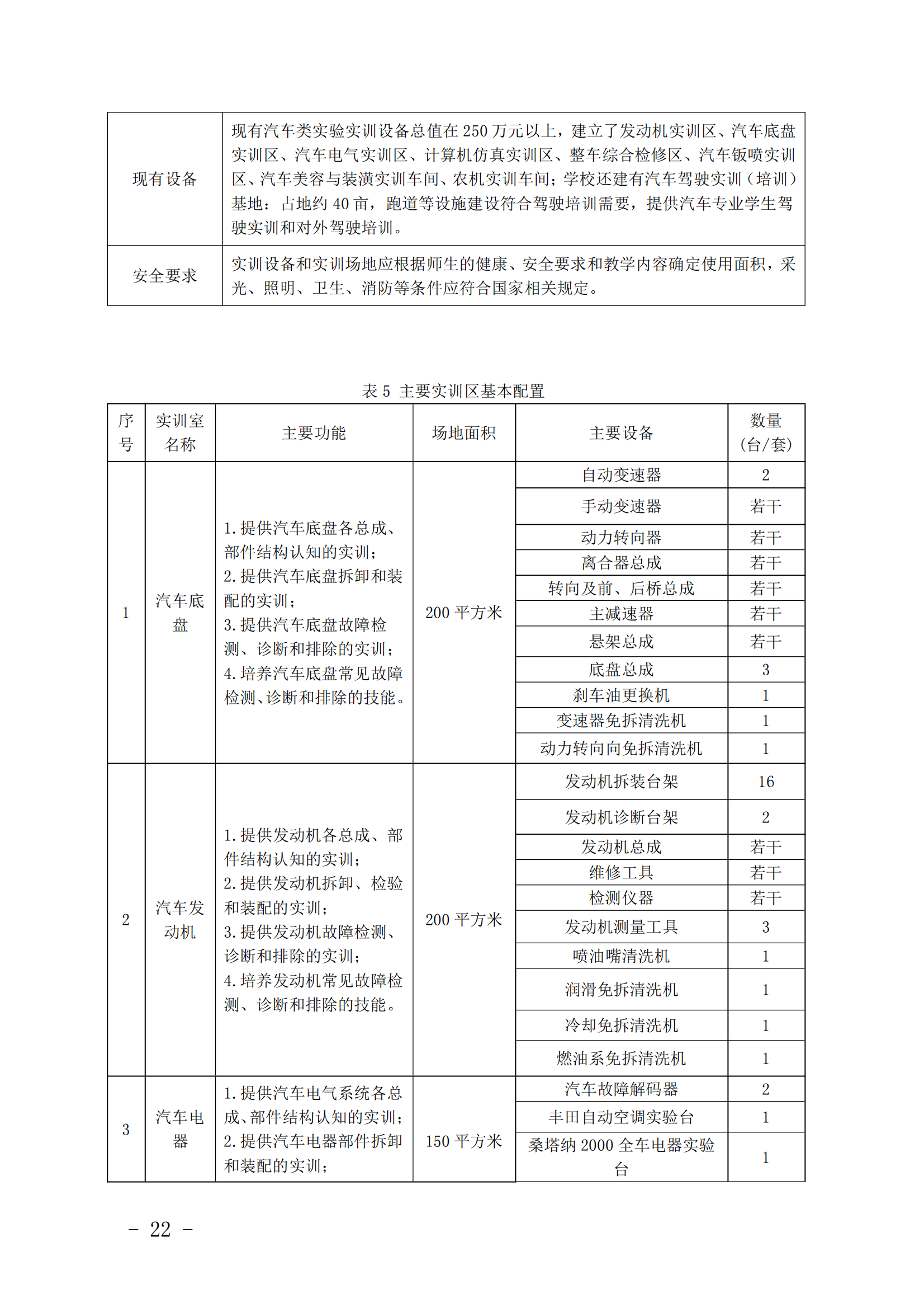
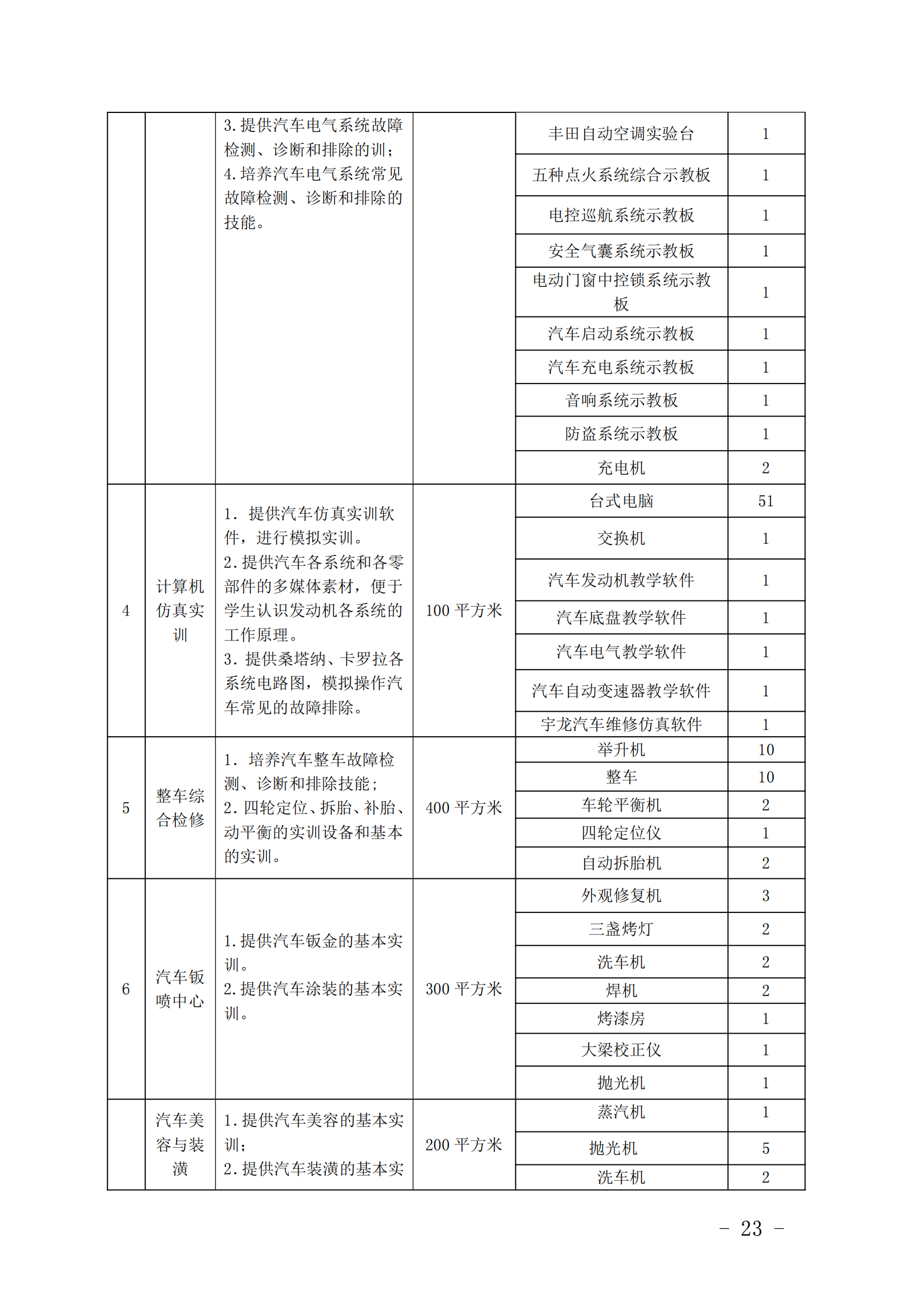
开云网页版汽车美容与装潢专业人才培养方案
发布时间:2025-06-30
作者:教研中心
发布者:三明市农业学校
文章来源:原创
阅读 : 460
上一篇:
开云网页版汽车运用与维修人才培养方案
下一篇:
开云网页版农机设备应用与维修专业人才培养方案
开云在线
|
开云官方网页版
|
球友会体育
|
米兰平台
|
开云网页
|
开云手机入口
|
星空体育
|
新利官方网站_新利(中国)股份有限公司
|
半岛在线注册
|